| 管道阻火器(絲網) |
|
| 我廠生產的SFW型管道阻火器是一種安裝于管端或靠近管端的管道中,阻止火焰以垂直傳播和擴散的阻火器,廣泛運用于加熱爐燃料氣、天然氣、石油液化氣的管路上,以及油氣回收、氣體凈化、氣體分析、煤礦瓦斯排放等系統,能有效地保證氣體管道及氣體使用點的安全運行。 |
 |
|
| 絲網阻火器應安裝在燃料氣或易燃液體蒸氣進入噴嘴前的管道上。當噴嘴回火時,阻火器內金屬絲網由于器壁效應轉化為熱能使火焰熄滅,阻止可燃氣體和易燃液體蒸氣火焰蔓延和防止回火而引起爆炸。 |
|
| |
|
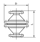
| 1、SFW-Ⅰ |
| 接
管
公稱直徑
DN |
結構尺寸(mm) |
接
管
公稱直徑
DN |
結構尺寸(mm) |
| D |
L |
D |
L |
| 15 |
215 |
338 |
65 |
335 |
460 |
| 20 |
215 |
344 |
80 |
335 |
460 |
| 25 |
215 |
350 |
100 |
335 |
460 |
| 32 |
280 |
376 |
125 |
440 |
506 |
| 40 |
280 |
376 |
150 |
440 |
510 |
| 50 |
280 |
376 |
|
|
|
| 注:設計壓力1.0MPa,設計溫度<80℃,殼體材質為20號鋼,絲網材質為鍍鋅鐵絲。 |
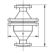
| 2、SFW-Ⅱ |
| 接管公稱直徑
DN |
結構尺寸(mm) |
接管公稱直徑
DN |
結構尺寸(mm) |
| D |
L |
D |
L |
| 15 |
215 |
315 |
50 |
280 |
351 |
| 20 |
215 |
320 |
65 |
335 |
435 |
| 25 |
215 |
325 |
80 |
335 |
435 |
| 32 |
215 |
351 |
100 |
335 |
437 |
| 40 |
280 |
357 |
|
|
|
| 注:設計壓力1.0MPa,設計溫度-80℃+400℃,殼體材質為Q235-A,絲網材質1Cr18Ni9Ti。 |
| 3、SFW-Ⅲ |
| 接管公稱直徑
DN |
結構尺寸(mm) |
接管公稱直徑
DN |
結構尺寸(mm) |
| D |
L |
D |
L |
| 200 |
535 |
770 |
350 |
755 |
890 |
| 225 |
535 |
770 |
400 |
755 |
890 |
| 250 |
640 |
820 |
450 |
975 |
1175 |
| 300 |
640 |
820 |
500 |
975 |
1175 |
|
|
|
| 注:設計壓力1.0MPa,設計溫度-80℃+400℃,殼體材質為Q235-A,絲網材質1Cr18Ni9Ti。 |
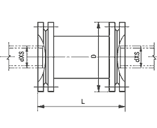
| 4、SFW-Ⅳ |
| 接管公稱直徑
DN |
結構尺寸(mm) |
接管公稱直徑
DN |
結構尺寸(mm) |
| D |
L |
D |
L |
D×S |
| 25 |
185 |
212 |
200 |
520 |
252 |
219×S |
| 40 |
195 |
212 |
250 |
580 |
282 |
273×S |
| 50 |
215 |
216 |
300 |
640 |
320 |
325×S |
| 80 |
280 |
220 |
350 |
705 |
357 |
377×S |
| 100 |
235 |
224 |
400 |
840 |
366 |
426×S |
| 150 |
405 |
248 |
|
|
|
| 注:設計壓力1.6MPa,設計溫度100℃,殼體材質為Q235-A,絲網材質為1Gr18Ni9Ti。 |
|
1、為了確保阻火器的性能達到使用的目的,在安裝阻火器前,必須認真閱讀本說明書,并仔細核對標牌與所裝管線要求是否一致。
2、阻火器上的流向標記必須與介質流向一致。
3、每隔半年應檢查一次。檢查阻火層是否有堵塞、變形或腐蝕等缺陷。
4、被堵塞的阻火層應清洗干凈,保證每個孔眼暢通,對于變形或腐蝕的阻火層應更換。
5、清洗阻火器芯件時,應采用高壓蒸汽、非腐蝕性溶劑或壓縮空氣吹掃,不得采用鋒利的硬件刷洗。
6、重新安裝阻火層時,應更新墊片確認密封面已清潔和無損傷,不得漏氣。 |